
Die Landeshauptstadt Dresden er-richtet am Standort Freiberger Straße ein neues Berufsschulzentrum. Die mediale Erschließung für das 3-teilige Gebäude einschließlich Sporthalle umfasst den Schmutzwasser- und den Trinkwasseranschluss an die Trassen in der Freiberger Straße. Der Schmutzwasseranschluss wurde mit einem grabenlosen Verfahren ausge-führt, damit die Verkehrseinschrän-kungen (Autoverkehr, Straßenbahn) möglichst gering waren. Auf dem Grundstück war eine umfangreiche Trassenkoordinierung mit den Medien Fernwärme, Datennetze/ Telekommu-nikation, Strom, Beleuchtung, Garten-wasser und Regenwasser erforder-lich.
Das anfallende Niederschlagswasser wird vollständig auf dem Grundstück in zwei separaten Füllkörperrigolen mit vorgeschalteten Reinigungsanla-gen versickert. Bei der Dimensionier-ung der Anlagen wurde der Rückhal-teeffekt des geplanten Dachaufbaus (optigrün) berücksichtigt.
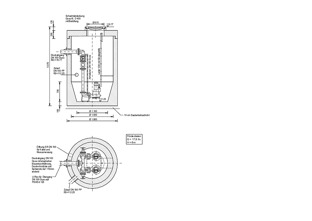
Der Überflutungsnachweis wurde für ein 30-jähriges Regenereignis ge-führt. Das erforderliche Überflutungs-volumen ist mittels 3D-Modellierung auf dem Schulhof nachgewiesen. Zur Entwässerung der Tiefgaragenzufahrt ist ein Regenwasserpumpwerk einge-plant. In Vorbereitung der Erschlie-ßung E-Mobilität werden Schutzrohr-trassen und Kabelzugschächte ge-baut.

Landeshauptstadt Dresden
Ingenieurbauwerke LP 2 - 9
Örtliche Bauüberwachung
Ermittlung Baunutzungskosten nach DIN 18 960
Gerhard Nickerl
Jan Pfefferkorn
Tom Rühle
Guido Jänsch
LP 2 - 7: 08.2019 - 07.2025
Bauzeitraum
LP 8: 07.2025
KG 200-600660.000 EUR




